CACHE P0050472
Ref. Usine : P0050472
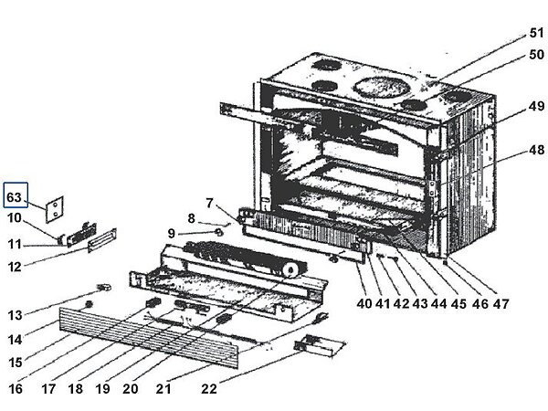
Cache pour insert bois regain 77 turbo decor c07867.ptxxCommande sécurisée
| Visuel | Désignation |
|---|---|
![]() |
CACHE P0050472 — Marque : Deville Ménager |
Fiche descriptive du produit CACHE P0050472
| Réf. usine | P0050472 |
|---|---|
| Marque | Deville Ménager |





