JOINT SUPPORT BULBE DEVILLE P0023193
Ref. Usine : P0023193
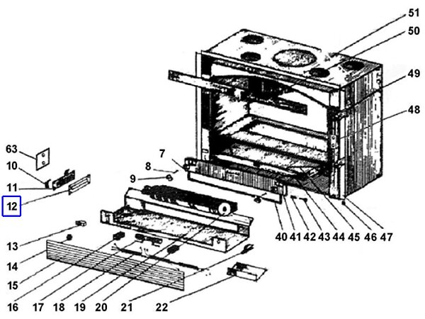
Joint support Bulbe DEVILLE P0023193 pour insert bois c07867.ptxx - Pièce détachée d'origine DevilleCommande sécurisée
| Visuel | Désignation | Tarif TTC | |
|---|---|---|---|
![]() |
JOINT SUPPORT BULBE DEVILLE P0023193 — Marque : Deville Ménager | 15,00 EUR | |
Livré sous 24/48 heures (jours ouvrés)
Fiche descriptive du produit JOINT SUPPORT BULBE DEVILLE P0023193
| Réf. usine | P0023193 |
|---|---|
| Marque | Deville Ménager |
| Éclaté | numéro 12 sur FOYER INSERT BOIS DEVILLE CO7867.PTxx (#CO7867PT09) |
COMMANDE EN LIGNE & RÈGLEMENT SÉCURISÉ
15,00 €
Service client
0.970.667.601
0.970.667.601

Livraison rapide
GLS
GLS

Paiement sécurisé
Boutique 100% sécurisée
Boutique 100% sécurisée
